わが家に茶室の雰囲気を
 本格的な茶室をお考えのあなたに!!
NO.6 茶室

ホーム1.炉縁・助炭2.炉壇・炉壇受け3.本炉壇・置炉・炉釜(1)・灰・五徳4.電気炭付炉壇・陶製風炉
5.置水屋・野点傘>6.水屋部材(竹すのこ・通し棚・蛇口)>7.茶室金物8.茶室金物(2)9.茶室金物(3)
10.茶室金物(4)11.茶室金物(5)12.茶室金物(6)13.釣釜セット・軸吊自在・擬宝珠14.風炉釜
15.水屋(表千家・裏千家)16.立礼卓・点茶盤17.茶入・灰・黒陶18.炭斗 陶器枝炭 枝炭 五徳 唐筆籠
19.水屋瓶 水屋屏風 ワラビ箒 棕櫚箒20.火入 花寄屏風
21.茶入 貴人高杯 笹蔓蒔絵 飾り立雛 唐銅花入 カスミ皿22.茶入23.利休茶箱24.茶室路地大辞典
25.擬宝珠(ぎぼし)・笹金物26.茶室天井材27.こけら板(杮板)・杮葺き28.板風炉・飯胴型火鉢
29.掛軸・銅鑼30.小鉄瓶31.鉄製燗鍋32.鉄瓶33.菓子器34.花入35.建水36.蓋置
37.電熱式風炉(野々田式)38.炉釜(2)・五徳(2)・灰匙・飾火鉢39.香合40.梵鐘用吊り金具
41、龍ノ口

「カタログダウンロード」
無料プリントアウト実施中!
FAX専用見積り用紙FAX専用 見積り用紙 FAX専用注文用紙FAX専用 注文用紙
通し棚(杉)・簀子棚(寒竹挟み)
杉持ち送り・炭入れ(杉)外内箱
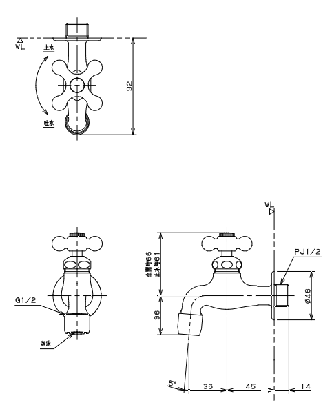
茶室(水屋)用蛇口・水栓(ブロンズ)・銅板落し

通し棚(杉)
通し棚(杉)
拡大写真
簀子棚(寒竹挟み)
簀子棚(寒竹挟み)
拡大写真
杉持ち送り(力板)
拡大写真
品   番:92-1
品   名:通し棚(杉)
寸   法:3尺x9寸x(框)8分(910x270x24㎜)
設計価格: 78,000円

寸   法:4尺x9寸x(框)8分(1200x270x24㎜)
設計価格: 85,000円

寸   法:5尺以上(1500㎜以上)
設計価格:価格、お問い合わせください

杉無垢材 巾7寸~1尺(210~300㎜)
見付厚み6分~8分(18~24㎜)
*別注寸法承ります。
*貼材(集成材)も可能です。
品   番:92-2
品   名:簀子棚(寒竹挟み)
寸   法:3.2尺以内(970㎜以内)
設計価格: 66,000円

寸   法:5.0尺以内(1515㎜以内)
設計価格: 78,000円

寸   法:5尺以上(1515㎜以上)
設計価格:価格、お問い合わせください

杉無垢材 巾7寸~1尺(210~300㎜)
見付厚み(片框)6分~8分(18~24㎜)
*別注寸法承ります。
*晒竹・女竹も扱っております
品   番:92-3
品   名:杉持ち送り:力板
寸法(mm):長550x巾300x厚12~20
設計価格: 71,800円

桐炭入れ(外箱・内箱)
拡大写真
写真(杉材)はイメージです。
現在の材質は桐材です。
品   番:92-4
品   名:炭入れ(桐)外箱9寸x9寸x9.5寸(板厚4分)・・・約273x273x(H)288㎜(板厚12㎜)
       炭入れ(桐)内箱8寸x8寸x8.5寸(板厚4分)・・・約242x242x(H)258㎜(板厚12㎜)
設計価格: 125,000円(セット)

拡大写真

*ステンレス製も可能です。
*現在、水漏れを防ぐため、勾配を5㎜(底を切らない)で製作しております。
品   番:92-6
品   名:銅板落し(銅板厚み 0.5㎜)
寸   法:3尺x1.5尺x2.5寸(910x455x75㎜)
設計価格: 200,000円

寸   法:4尺x1.5尺x2.5寸(1212x455x75㎜)
設計価格: 210,000円

寸   法:4.5尺x1.5尺x2.5寸(1364x455x75㎜)
設計価格: 214,000円

寸   法:5尺x1.5尺x2.5寸(1515x455x75㎜)
設計価格: 218,000円

寸   法:6尺x1.5尺x2.5寸(1818x455x75㎜)
設計価格: 222,000円
*別注寸法承ります。

茶室材料・水屋部材(竹すのこ)
ご注文の際は、
①竹の長さ
②巾(網下がり)
③竹の太さ
をご指示願います。

*竹すのこは、開口寸法より
①上下 5~7㎜
②左右 5~7㎜
控えて作らないと入りません。
竹すのこ採寸方法
晒竹すのこ
拡大写真
黒竹すのこ
拡大写真
女竹すのこ
拡大写真
品   番:91-1
品   名:晒竹すのこ(Φ18㎜)
設計価格:平方尺  7,800円
(平方尺:約300x300㎜)
品   番:91-2
品   名:黒竹すのこ(Φ18㎜)
設計価格:平方尺  8,800円

(平方尺:約300x300㎜)
品   番:91-3
品   名:女竹すのこ(Φ15㎜)
設計価格:平方尺  12,800円

(平方尺:約300x300㎜)
計算方法(例)
晒竹すのこ 1350x450(㎜)の場合
(1350÷300)x(450÷300)x平方尺\7,800円=設計価格 52,650円


拡大写真

*92-5(A)の後継品です。
 
品   番:92-5(A2)
品   名:自在水栓(クリムゾン)
設計価格  28,480円

JISマーク表示制度において、(財)日本品質保証機構〔JQA〕が規格適合したことを認証した製品
仕様

節水固定コマ仕様(一般地・寒冷地共用)

 

拡大写真

*92-5(A)の後継品です。
 
品   番:92-5(A3)
品   名:自在水栓(ブラウン)
設計価格  28,480円

JISマーク表示制度において、(財)日本品質保証機構〔JQA〕が規格適合したことを認証した製品
仕様

節水固定コマ仕様(一般地・寒冷地共用)
 
拡大写真

在庫6個
(2023年6月13日現在)
 
品   番:92-5(A4)
品   名:自在水栓(ピンクゴールド)
設計価格  39,980円


JISマーク表示制度において、(財)日本品質保証機構〔JQA〕が規格適合したことを認証した製品
仕様

・固定コマ仕様
 

拡大写真
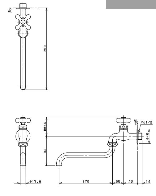
品   番:92-5(B3)
品   名:自在水栓・横型(ブラウン)
設計価格  29,980円


*92-5(B)の後継品です。


仕様

・節水固定コマ仕様
・一般地・寒冷地共用

・JIS適合品
 

拡大写真
品   番:92-5(C4)
品   名:泡沫横水栓(ブラウン)
設計価格  19,980円
(寒冷地共用) JIS
*時間の経過と共に、落ち着いた色調に変化していきます
設計価格  2・JIS適合品


*92-5(C)の後継品です。


仕様

・節水固定コマ仕様
・一般地・寒冷地共用

・JIS適合品
 

拡大写真
品   番:92-5(A5)
品   名:横水栓(自在形、泡まつ、節水、共用)
設計価格  10,900円


表千家水屋
*表千家・水屋参考価格(一式)はこちら


表千家水屋(間口6尺x奥行3尺)代表例
品名 サイズ
落掛(本スス竹) 6尺x1.8寸
(約1820x54Ф)
釣竹(本スス竹) 6尺x5分
(約1820x15Ф)
③二重棚(杉) 8.7寸x8.2寸x4分(2枚)
(約261x246x12㎜)
④通し棚(杉) 6尺x1尺x9分
(約1820x300x27㎜)
⑤簀子棚(寒竹挟み) 6尺x1尺x(框)8分
(約1820x300x24㎜)
⑥腰板(杉) 6尺x1.4尺x8分
(1820x420x24㎜)
⑦腰板(杉) 3尺x1.4尺x8分(2枚)
(約900x420x24㎜)
⑧竹簀子(晒竹) 6尺x2尺x6分
(約1820x600x18㎜)
⑨炭入れ 外箱
  炭入れ 中箱
9寸x9寸x9.9寸(約270x270x297㎜)
8寸x8寸x8.9寸(約240x240x267㎜)
⑩水栓(ブロンズ)
竹釘
*竹簀子ご注文の際は、完成後の開口寸法をお知らせ下さい。
 無垢材・貼材・別注寸法のご相談承ります。
水屋部材は、一般的に杉を使用いたします。

裏千家水屋
*裏千家・水屋参考価格(一式)はこちら

裏千家水屋(間口4尺x奥行2尺)代表例
品名 サイズ
落掛(本スス竹) 6尺x1.8寸
(約1820x54Ф)
釣竹(本スス竹) 6尺x5分
(約1820x15Ф)
③上通し棚(杉) 4尺x1.15尺x6分
(約1200x345x18㎜)
④中通し棚(杉) 4尺x1.5尺x9分
(約1200x450x27㎜)
⑤下通し棚(杉) 4尺x1尺x9分
(約1200x300x27㎜)
⑥簀子棚(寒竹挟み) 2尺x9寸x(框)8分
(約600x270x框24㎜)
⑦力板:持ち送り(杉) 1.8尺x9寸x5分
(約540x270x15㎜)
⑧腰板(杉) 4尺x1.7尺x8分
(約1200x510x24㎜)
⑨腰板(杉) 2尺x1.7尺x8分(2枚)
(約600x510x24㎜)
⑩竹簀子(晒竹) 4尺x2尺x6分
(約1200x600x18㎜)
⑪炭入れ 外箱
  炭入れ 中箱
9寸x9寸x9.9寸(約270x270x297㎜)
8寸x8寸x8.9寸(約240x240x267㎜)
⑫水栓(ブロンズ)
竹釘
*竹簀子ご注文の際は、完成後の開口寸法をお知らせ下さい。
 無垢材・貼材・別注寸法のご相談承ります。
水屋部材は、一般的に杉を使用いたします。

錆竹火頭口
錆竹火頭口2枚使い(落掛け風) 錆竹火頭口落掛け風
錆竹火頭口丸型施工例 錆竹火頭口(Γ)
拡大写真
錆竹火頭口丸型(∩)
拡大写真
錆竹火頭口
拡大写真
品   番:34-4
品   名:錆竹火頭口(Γ)
竹巾(寸):1.6~1.8
  巾   :2~2.5尺x6尺
設計価格:  62,000円
品   番:34-5
品   名:錆竹火頭口丸型(∩)
竹巾(寸):1.6~1.8
  巾   :2~2.5尺x6尺
設計価格:  59,000円
品   番:34-6
品   名:錆竹火頭口
竹巾(寸):1.6~1.8
  巾   :2~2.5尺x6尺
設計価格:  56,000円
杉無双

拡大写真
*釘の位置
品   番:95-7
品   名:無双(杉)
寸   法: 7分x7分(約21㎜x21㎜)
*別注寸法承ります。
長さ 入数 1ケースの場合
設計単価(1本)
バラ出しの場合
設計単価(1本)
3尺
(約910㎜)
(50入) 2,150円 4,300円
4.5尺
(約1365mm)
(50入) 3,650円 7,300円
6尺
(約1820㎜)
(50入) 3,950円 7,900円
6.6尺
(約2000㎜)
(50入) 5,200円 10,400円
9尺
(約2730㎜)
(20入) 8,500円 17,000円
12尺
(約3640㎜)
(20入) 10,950円 21,900円
1.
柿合せ炉縁
女桑炉縁
真塗 唐松蒔絵炉縁
黒真塗炉縁
高台寺吹漆炉縁
松葉吹漆炉縁
沢栗炉縁
欅炉縁
青海波蒔絵炉縁
遠山蒔絵炉縁
真塗 高台寺蒔絵炉縁

助炭

2.
電熱式炉壇
電熱式丸炉壇

炉壇うけ
炉壇うけ(浅型)
受け金具

銅炉壇
耐火構造炉壇

耐火構造炉壇
(ビル・マンション用)
赤銅炉壇
鉄角炉

3.
本炉壇
電熱式置炉(女桑)
焼杉置炉セット 磨入子
女桑置炉セット 磨入子
灰(500g入)
灰(上品)(600g入)

五徳
筒釜 肩衝 鷺地紋
筒釜 肩衝 唐松地紋
細筒釜
風炉釜丸
唐銅鬼面風炉
(アラレ・銀つまみ)
唐銅朝鮮風炉浜松
4.
電気炭付炉壇
箱風炉
陶製風炉
風炉用電気炭
置炉
5.
置水屋(黒部ヘギ板網代)
置水屋(網代)小
置水屋(網代)
置水屋(柾)大
野点傘
6.
晒竹すのこ
黒竹すのこ
女竹すのこ
錆竹火頭口
通し棚(杉)
簀子棚(寒竹挟み)
杉持ち送り
炭入れ(杉)
水栓(ブロンズ)
銅板落し
煤竹織部板(幕板)
無双(杉)
7.茶室金物(1)
釜蛭釘(栓差し)
釜蛭釘(ねじ足)
花蛭釘(栓差し)
稲妻釘(栓差し)・喚鐘釘
走り釘三幅対
稲妻走り釘三幅対
中釘無双釘(平沈)
中釘無双釘(丸浮)
柳釘(平座)
柳釘(隅用座付き)
花釘
花釘(丸味)
8.茶室金物(2)
中釘用折釘
中釘用折釘(足長)
二重折釘(栓差し)
二重折釘(ねじ足)
落し掛釘・華鬘釘(けまんくぎ)
朝顔釘(割れ足)
豆折釘
撞木釘(座なし)・折釘
袋釘(角棒)
蛍釘(座付き)
蛍釘(座なし)
すだれ掛け折釘
扁額釘(へんがくくぎ)
9.茶室金物(3)
丸打掛
平打掛
小判型輪掛金
しぎのはし
三つ坪
肘坪
閂(かんぬき)
花入れ釘(二重折)
花入れ釘(三重折)
花蔓割足釘(はなずるわりあしくぎ)
綿ぶき花篭(くざなし)
綿ぶき花篭(くざ入)
10.茶室金物(4)
巻頭釘(鉄)
頭巻釘(鉄)
皆折釘(鉄)
皆折釘(銅)
合釘(鉄)
竹釘(水屋用)
竹釘(軸用)
高乱鋲(綿ぶき)
11.茶室金物(5)
浄雲花釘
浄雲柳釘
浄雲無双釘
浄雲にじり釘
浄雲釜蛭釘(栓差し)
釜蛭釘(栓差し)
ドラ釘(栓差し)
喚鐘釘(栓差し)・(ねじ足)
稲妻走り釘三幅対
ニジリ釘
釜蛭釘(ネジ足)
花蛭釘(ネジ足)
12.茶室金物(6)
ドラ釘(ネジ足)
長押掛
一重折釘(打込)
一重折釘(ネジ足)
一重折釘(打込小)
障子掛釘
撞木釘(座なし)・折釘
スイハツ釘(自在釘)
無双釘
隅打釘(柳釘)
平釘(柳釘)
花鐶ハカマ付
花鐶 丸
花寄釘(マンジ型)
花寄釘(二重折)
二重折釘(打込)
二重折釘(ネジ足)
みす釘
みす吊 鴨居
軸吊 長押
軸吊 鴨居
みす吊 自在長押
13.茶室金物(7)
釜くさり
六角金物
擬宝珠
軸吊自在
14.風炉
風炉
風炉用炭型ヒーター
コントローラー
まえかわらけ
15.
水屋(表千家・裏千家)
16.
立礼卓・点茶盤
末広棚 即中斎好写
御園棚 淡々斎好写
17.
茶入・灰・黒陶
18.
炭斗
陶器枝炭
枝炭 五徳
唐筆籠
19.
水屋瓶
水屋屏風
ワラビ箒
棕櫚箒
20.
火入
花寄屏風
21.
茶入
貴人高杯
笹蔓蒔絵
飾り立雛
唐銅花入
カスミ皿
22.
茶入
23.
利休茶箱
24.
茶室路地大辞典
25.
擬宝珠(ぎぼし)・笹金物
26.茶室天井材
黒部杉へぎ板(板目)
黒部杉へぎ板(柾目)
椹へぎ板(板目)
椹へぎ板(柾目)
27.
こけら板(杮板)・杮葺き
28.
板風炉・飯胴型火鉢
29.
掛横物「○無尽蔵」
掛軸「閑座聴松風」
掛軸「紅炉一点雪」
掛軸「日々是好日」
銅鑼(どら)セット
喚鐘(かんしょう)女桑セット
更好棚 玄々斎好写
赤絵水指 唐子
丸卓 桐生地 利休好写
古瀬戸水指 上
杉 角蛤板
三枚組敷板 真塗(矢筈・丸蛤・角蛤)
箱炭斗7点セット(番溜付)
花結界
紅鉢セットオリベ
チトセ盆セット
茶杓収納箱
軸一行用収納箱
青磁鳳凰

掛分
唐銅 釣舟花入
花入 桔梗口
唐銅花入 曽呂利
30.
小鉄瓶
31.
鉄製燗鍋
32.
鉄瓶
33.
菓子器
34.
花入
35.
建水
36.
蓋置
37.
電熱式風炉(野々田式)
38.
炉釜(2)・五徳(2)・灰匙・飾火鉢
39.
香合
40.
梵鐘用吊り金具
41
龍ノ口
 

上記商品は、数ある茶室材料の一例です。
他にも様々な商品・サイズがございます。
御用命の際には、下記メールアドレスまたはFAXにご連絡いただければ幸いです。
TELでのお問合せも承ります。
別注品も承っています。
尚、価格は目安なので、実際とは異なる場合がございます。

ご注文方法(お支払方法)

FAX専用見積り用紙FAX専用 見積り用紙
FAX専用注文用紙FAX専用 注文用紙

特定商取引に関する法律に基づく表示
個人情報の取り扱いに関する表示

skk@mx.biwa.ne.jpskk@sasaki-kougyo.com
TEL 0748-37-7292(代)
FAX 0748-37-1236

インテリア情報「空間創造」トップページへインテリア情報「空間創造」トップページへ